Sign In | Join Free | My xpandrally.com
China Anterwell Technology Ltd. logo
Anterwell Technology Ltd.
Anterwell Technology Ltd. Large Original stock of IC Electronics Components, Transistors, Diodes etc. High Quality, Reasonable Price, Fast Delivery.
Site Member

10 Years

Home > Programmable IC Chips >

MAX 7000 Programmable Logic Device 1.13 M Programmable Logic Device Family EPM7064STC44-10N

Anterwell Technology Ltd.
Contact Now

MAX 7000 Programmable Logic Device 1.13 M Programmable Logic Device Family EPM7064STC44-10N

Brand Name : ALTERA

Model Number : EPM7064STC44-10N

Certification : Original Factory Pack

Place of Origin : Original

MOQ : 5pcs

Price : Negotiation

Payment Terms : T/T, Western Union,PayPal

Supply Ability : 290PCS

Delivery Time : 1 Day

Packaging Details : please contact me for details

Usable gates : 1,250

Macrocells : 64

Logic ar : 4

Maximum user I/O pins : 68

tPD (ns) : 6

Contact Now

Features

■ High-performance, EEPROM-based programmable logic devices (PLDs) based on second-generation MAX® architecture

■ 5.0-V in-system programmability (ISP) through the built-in IEEE Std. 1149.1 Joint Test Action Group (JTAG) interface available in MAX 7000S devices – ISP circuitry compatible with IEEE Std. 1532

■ Includes 5.0-V MAX 7000 devices and 5.0-V ISP-based MAX 7000S devices

■ Built-in JTAG boundary-scan test (BST) circuitry in MAX7000S devices with 128 or more macrocells

■ Complete EPLD family with logic densities ranging from 600 to 5,000 usable gates (see Tables 1 and 2)

■ 5-ns pin-to-pin logic delays with up to 175.4-MHz counter frequencies (including interconnect)

■ PCI-compliant devices available

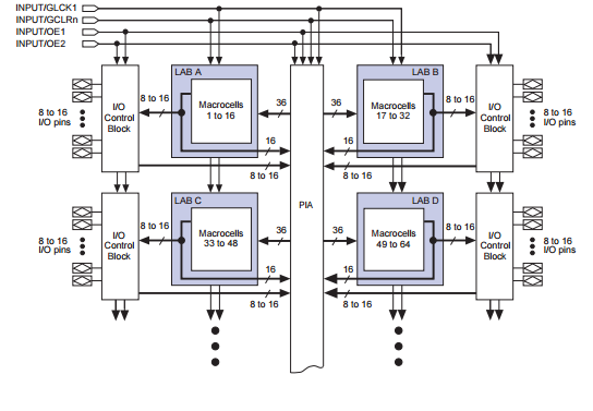
Figure 1. EPM7032, EPM7064 & EPM7096 Device Block Diagram

MAX 7000 Programmable Logic Device 1.13 M Programmable Logic Device Family EPM7064STC44-10N

Design Security

All MAX 7000 devices contain a programmable security bit that controls access to the data programmed into the device. When this bit is programmed, a proprietary design implemented in the device cannot be copied or retrieved. This feature provides a high level of design security because programmed data within EEPROM cells is invisible. The security bit that controls this function, as well as all other programmed data, is reset only when the device is reprogrammed.


Product Tags:

programming ic chips

      

programmable audio chip

      
Wholesale MAX 7000 Programmable Logic Device 1.13 M Programmable Logic Device Family EPM7064STC44-10N from china suppliers

MAX 7000 Programmable Logic Device 1.13 M Programmable Logic Device Family EPM7064STC44-10N Images

Inquiry Cart 0
Send your message to this supplier
 
*From:
*To: Anterwell Technology Ltd.
*Subject:
*Message:
Characters Remaining: (0/3000)